


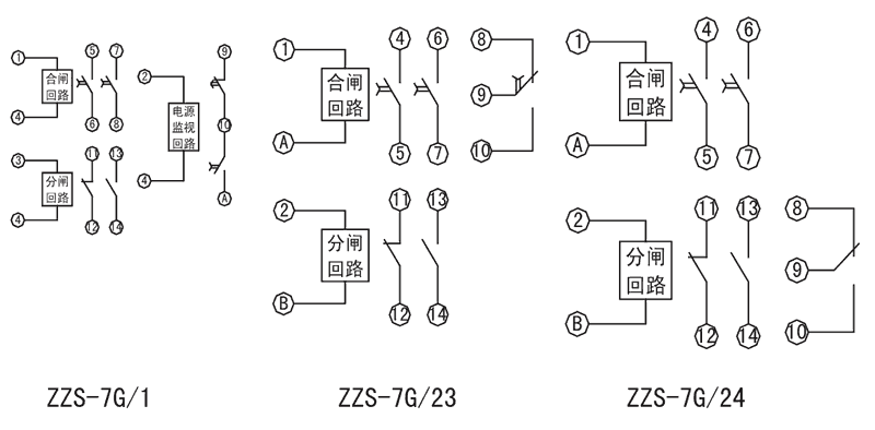
产品型号:ZZS-7G/24
触点形式:3常开1常闭1转换
动作延时:≤15ms
额定电压:24V、48V、110V、220V(AC/DC)

| 型号 | 触点形式 | 动作延时 | 合闸返回延时 | 其它回路返回延时 |
| ZZS-7G/1 | 4常开2常闭 | ≤15ms | ≤15ms | 15ms~2s可调 |
| ZZS-7G/23 | 3常开1常闭1转换 | ≤15ms | ≤15ms | 15ms~2s可调 |
| ZZS-7G/24 | 3常开1常闭1转换 | ≤15ms | ≤15ms | 15ms~2s可调 |

| 额定参数 | |
| 直流额定电压 | 24V、48V、110V、220V可选 |
| 交流额定电压 | 24V、48V、110V、220V可选 |
| 直流动作电压 | ≤70%额定电压 |
| 交流动作电压 | ≤75%额定电压 |
| 动作时间 | ≤15ms |
| 返回延时 | 合闸回路≤15ms,其它回路15ms~2s可调 |
| 返回电压 | ≤20% |
| 功耗 | ≤10W |
| 绝缘性能 | |
| 绝缘电阻 | 继电器外壳与外露带电端子之间用开路电压500V的兆欧表测量,绝缘电阻不小于10MΩ |
| 绝缘耐压 | 继电器外壳与外露带电端子之间能耐受2KV(有效值)50Hz试验电压,历时1分钟,无击穿或闪络现象 |
| 环境条件 | |
| 环境温度 | -15℃~55℃ |
| 工作电压 | 不大于120%额定电压 |
| 工作位置 | 任意 |
| 周围磁场强度 | 小于0.5mT |
| 环境相对湿度 | 不大于90% |
| 大气压力 | 80~110KPa |
| 温度 | -25℃~+70℃ |
| 海拔高度 | 不大于2500 米 |




