




DTU配网自动化终端是聚仁电力研发出的全新一代配电终端。具有灵活组态配置功能、WEB 发布功能、独立保护插件功能。是集成DTU、线路保护 及通信设备管理于一体的新型配电网自动化终端。DTU配电终端的功能模块能实时监测10~35KV线路电压、线路电流、零序电流、设备状态等运行及故障信息,并能完成遥信、遥测、遥控功能,实现配网自动化的实时监控。


一体式设计 采用模块化一体式设计,遥信、遥测、遥控、通信、电源管理于一体,配网终端DTU采用插拔式结构设计。

故障检测功能 DTU可灵活设置定值,实现电压越上限、电压越下限、零序电压越限、涌流闭锁、零序电流过流等功能。

高性能软件平台 32位微处理器和实时嵌入式操作系统为平台,综合使用了各种硬件、软件的技术。

安装方式 DTU站所终端核心单元采用标准机箱,支持前、后接线,整机具备多种结构形式,适合落地、壁挂、柜体等多种安装方式。

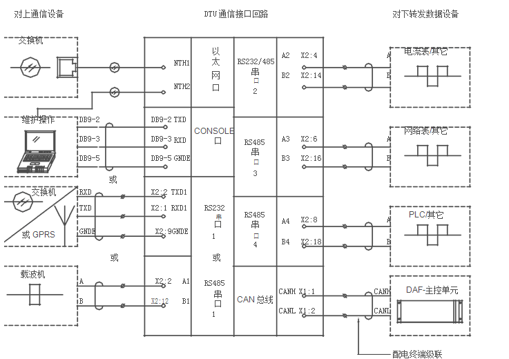
通讯功能 DTU可与SCADA(数据采集及监控)系统、配电自动化主站、配电自动化二级主站或变电站监控系统通信。

接口丰富 配备2路标准RJ45接口、自适应的网络接口和4路标准串口支持RS232和RS485。

01
02
03
04




| 交流采样 | |||
| 额定电压 | 100V、220V | ||
| 额定电流 | 5A(额定电流为1A的必须在定货是注明) | ||
| 测量精度 | 电流、电压:0.5% | ||
| 有功、无功、功率因数:1% | |||
| 频率:0.01Hz | |||
| 直流采样 | |||
| 直流电压测量范围 | 0~60V | ||
| 遥信开入 | |||
| 单板容量 | 24路,可根据需要扩容至4块 | ||
| 信号输入方式 | 有源接点 | ||
| 输入回路 | 采用光电隔离 | ||
| 开入电源 | DC24V | ||
| SOE分辨率 | 小于2毫秒 | ||
| 事故时遥信变位传送时间 | 小于1秒 | ||
| 防抖动时间 | 可通过软件设置0~60000毫秒 | ||
| 遥控输出 | |||
| 单板容量 | 8点(4路),可根据需要扩容至4块 | ||
| 输出方式 | 继电器常开节点 | ||
| 输出时间 | 默认2000毫秒、可设定输出时间 | ||
| 接点容量 | AC250V,10A;DC48V,8A | ||
| 电源 | |||
| 输入电源 | 直流24V/48V;允许偏差+15%~-20%;电压纹波不大于5% | ||
| 后备电源 | 采用24V/48V电池组(铅酸或锂离子)容量可根据要求定制 | ||
| 通讯 | |||
| 网络口 | 2路标准RJ45口,10M/100M自适应。 | ||
| 串口 | 4路标准串口,支持RS232和RS485。后备电源 | ||
| 通讯参数 | 波特率:300~115200bps | ||
| 数据位:8位 | |||
| 校验位:无校验、偶校验、奇校验 | |||
| 停止位:1位 | |||
| 通信协议串口 | 串行接口:DL/T634.5101-2002/IEC608-70-5-101:2002、CDT协议 | ||
| 以太网络接口:DL/T634.5104/IEC60870-5-104、101协议 | |||
| 通信方式 | 支持基于光纤的网络通信方式 | ||
| 支持电力载波通信方式 | |||
| 支持无线通信(GPRS/CDMA) | |||