上海聚仁电力

电力及自动化系统设备制造商
专注于35KV及以下电力二次设备产品的研发和方案提供

021-37195759 021-67183050
首页> 产品中心>光伏二次设备

联系我们

  •  181-1722-3661
  •  021-67183050
  •  021-37190051
  •  jurendianli@163.com

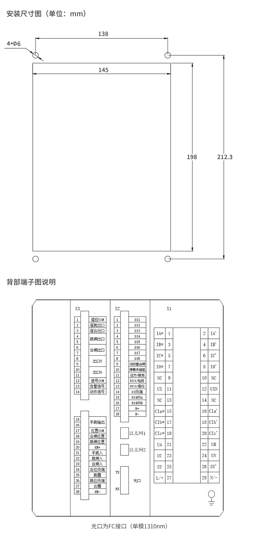
  • 线路光纤差动保护测控装置
  • 所属类别:光伏二次设备
  • 额定电源电压

    127V/220V(AC),110V/220V(DC)

    跳合闸电流

    0.2A~6A(自适应方式)

    相电压

    57.7V 或100V,支持Y和VV接线(订货注明)

    线路抽取电压

    100V或57.7V

    通信接口

    RS485和以太网

    数据采集

    电流、电压、有功、无功、功率因数、频率

    我要询价留言