上海聚仁电力

电力及自动化系统设备制造商
专注于35KV及以下电力二次设备产品的研发和方案提供

021-37195759 021-67183050
电力及二次设备制造商
首页> 技术文章>继电器>漏电继电器>RELR型漏电继电器

联系我们

  •  181-1722-3661
  •  021-67183050
  •  021-37190051
  •  jurendianli@163.com

  • RELR-3DS漏电保护继电器
  • 文章类别:RELR型漏电继电器
  • 文章概述
  • 产品型号:RELR-3DS漏电继电器
    动作电流:0.03~3A可调
    动作时间:0.2S~2S可调
    安装方式:导轨安装

  • 询价留言

    • RELR-3DS可调漏电继电器
      RELR-3DS适用于交流电压线路中做有无中性点漏电保护。可与带分励脱扣器或失压脱扣器的断路器、交流接触器、磁力启动器等组成漏电保护装置,作漏电和触电保护之用,可配备蜂鸣器、信号灯等各种声光指示器件结合组成漏电报答装置。RELR-3DS漏电继电器体积小、安装使用方便,动作值固定分档可调,动作可靠,连续供电稳定,操作简易。能适应各地用户,可以用来对线路进行接地故障保护,防止由于接地故障电流引起的设备事故或电气火灾,也可用来对人体触电解除提供间接触电保护。适用于电源系统中心点直接接地的低压配电系统。是安全使用的网改较理想的产品,RELR-3DS动作时间分快速型和延时型,配合使用时对干线和支线进行分级选择保护。
      RELR-3DS漏电继电器型号分类及含义
      RELR-3DS可调漏电继电器型号分类
      主要特点
      ■基于MCU的密集型设计;
      ■用于电动机和配电系统的接地保护;
      ■采用零序电流检测法;
      ■TEST键提供力一个手动的自检功能;
      ■接地电流和跳闸延迟时间是分别调整的;
      ■绿色LED指示已建立电源,红色LED指示已跳闸;
      ■EXTRESET具有远方复归功能;
      ■TEST具有远方试验功能。
      RELR-3DS特点
      RELR-3DS动作电流和不驱动时间
      型号 动作电流 动作时间 动作电流精度 互感器孔径
      RELR-1DS 0.03~3A可调 0.2S~2S 80%~100% 25mm
      RELR-2DS 0.03~3A可调 0.2S~2S 80%~100% 45mm
      RELR-3DS 0.03~3A可调 0.2S~2S 80%~100% 100mm
      主要技术参数
      额定参数
      控制电压 AC220V;DC12V、24V、48V
      漏电动作电流 0.03、0.07、0.1、0.3、0.5、1、1.5、2、2.5、3A可调
      动作时间 0.2、0.4、0.6、0.8、1、1.2、1.4、1.6、1.8、2S可调
      动作电流精度 80%~100%
      互感器孔径 25mm、45mm、100mm
      功耗 ≤5W
      绝缘性能
      绝缘电阻 继电器外壳与外露带电端子之间用开路电压500V的兆欧表测量,绝缘电阻不小于10MΩ
      绝缘耐压 继电器外壳与外露带电端子之间能耐受2KV(有效值)50Hz试验电压,历时1分钟,无击穿或闪络现象
      环境条件
      环境温度 -15℃~55℃
      工作电压 不大于120%额定电压
      工作位置 任意
      周围磁场强度 小于0.5mT
      环境相对湿度 不大于90%
      大气压力 80~110KPa
      温度 -25℃~+70℃
      海拔高度 不大于2500 米
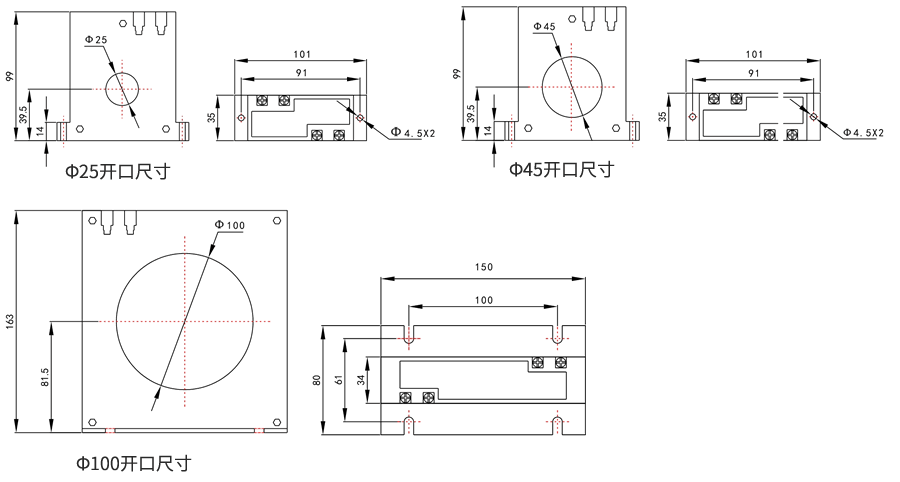
      可调漏电继电器外形及开孔尺寸
      漏电继电器外形及开孔尺寸
      可调漏电继电器操作说明
      ■TIME是跳闸延时旋钮,用来调节跳闸延迟时间;
      ■EARTH是漏电电流调节旋钮,用来调整检测漏电电流的大小;
      ■TEST是自动检测按钮,常按TEST键,当时间超过TIME设定值时,继电器会动作跳闸;
      ■RESET是复位键,继电器动作跳闸后,按下RESET键继电器复位。
      RELR-3DS接线示例图
      漏电继电器接线图
      漏电继电器零序电流互感器参数选型表
      型号 开口尺寸 较大额定电流参考值(A) 额定电压(V)
      Y-25 Φ25mm 0~100 690、660、380
      Y-45 Φ45mm 0~200
      Y-100 Φ100mm 0~630
      注:特定产品需提前沟通注明
      零序电流互感器外形及安装尺寸图
      零序电流互感器外形及安装尺寸图