上海聚仁电力

电力及自动化系统设备制造商
专注于35KV及以下电力二次设备产品的研发和方案提供

021-37195759 021-67183050
电力及二次设备制造商
首页> 技术文章>继电器>电流继电器>静态有辅源电流继电器>HJL-93型三相电流继电器

联系我们

  •  181-1722-3661
  •  021-67183050
  •  021-37190051
  •  jurendianli@163.com

  • HJL-F93/BY三相电流继电器
  • 文章类别:HJL-93型三相电流继电器
  • 文章概述
  • 产品型号:HJL-F93/BY
    触点形式:3转换
    整定范围:0.05A~1.2A
    安装结构:导轨式安装

  • 询价留言

    • 概述
      HJL-F93/BY电流继电器要用于发电机、变压器和输电线路的过负荷和短路保护。HJL-F93/BY采用CMOS集成电路具有精度高、功耗小、动作时间快、返回系数高、整定直观方便、范围宽等特点。整定范围由0.2A~6A和0.05A~1.2A这两种可选,返回系数为0.9~0.95。
      型号及含义
      HJL-F93/BY型号及其含义
      HJL-F93/BY主要特点
      ●采用3位拨码整定
      ●整定范围0.2A~6A(级差0.01A)。
      ●延时时间为0~99.9S。
      ●HJL-F93/BY辅助电源85V~260V交直流通用。
      ●用集成电路和进口元器件,稳定性和可靠性更高。
      ●采用导轨安装,对比老式的凸出式结构和插拔结构其安装更方便。
      HJL-F93/BY整定范围及返回系数
      型号 额定电流 长期允许接通电流 瞬时允许过载电流 整定范围 级差 返回系数
      HJL-93/A 5A 6A 20A 0.2~6A 0.01A 0.9~0.95
      HJL-93/AY 5A 6A 20A 0.2~6A 0.01A 0.9~0.95
      HJL-93/B 5A 6A 20A 0.05~1.2A 0.01A 0.9~0.95
      HJL-93/BY 5A 6A 20A 0.05~1.2A 0.01A 0.9~0.95
      HJL-F93/A 5A 6A 20A 0.2~6A 0.01A 0.9~0.95
      HJL-F93/AY 5A 6A 20A 0.2~6A 0.01A 0.9~0.95
      HJL-F93/B 5A 6A 20A 0.05~1.2A 0.01A 0.9~0.95
      HJL-F93/BY 5A 6A 20A 0.05~1.2A 0.01A 0.9~0.95
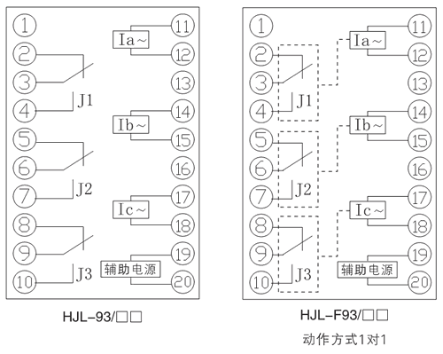
      接线图
      HJL-F93/BY内部接线图
      HJL-F93/BY技术参数
      额定参数
      直流额定电压 48V、110V、220V可选
      交流额定电压 48V、110V、220V可选
      直流动作电压 ≤70%额定电压
      交流动作电压 ≤75%额定电压
      额定电流 A型:5A、B型:1A
      返回系数 0.9~0.95
      整定范围 A型:0.2A~6A、B型:0.05A~1.2A
      返回时间 ≤27ms
      功耗 ≤5W
      绝缘性能
      绝缘电阻 继电器外壳与外露带电端子之间用开路电压500V的兆欧表测量,绝缘电阻不小于10MΩ
      绝缘耐压 继电器外壳与外露带电端子之间能耐受2KV(有效值)50Hz试验电压,历时1分钟,无击穿或闪络现象
      环境条件
      环境温度 -15℃~55℃
      工作电压 不大于120%额定电压
      工作位置 任意
      周围磁场强度 小于0.5mT
      环境相对湿度 不大于90%
      大气压力 80~110KPa
      温度 -25℃~+70℃
      海拔高度 不大于2500 米
      主要特点

      HJL-F93/BY阻燃壳体

      HJL-F93/BY静态集成电路

      HJL-F93/BY端子排接线

      HJL-F93/BY导轨条安装

      导轨安装结构
      HJL-F93/BY导轨安装结构外形尺寸