


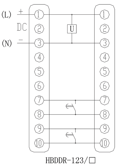
产品型号:HBDDR-123/4端子排时间继电器
工作电压:AC220V
触点形式:2常开
安装方式:导轨安装

时间继电器逻辑电路由IC模块构成,使用晶振经分频、可编程减法计数达到延时。时间整定靠改变可编程计数器预置端的状态达到,用拨轮开关进行时间整定。为克服出口继电器固有动作时间而造成的动作时间误差,设置了补偿回路,大大减少了整定时间与实际动作时间的误差。

| 型号 | 触点类型 | 工作电压 | 延时时间 | 返回时间 |
| HBDDR-123/1 | 2常开 | DC:110V | 20mS~10S(级差10mS) | <20mS |
| HBDDR-123/2 | 2常开 | DC:220V | 20mS~10S(级差10mS) | <20mS |
| HBDDR-123/3 | 2常开 | DC:48V | 20mS~10S(级差10mS) | <20mS |
| HBDDR-123/4 | 2常开 | AC:220V | 20mS~10S(级差10mS) | <20mS |
| HBDDR-123/5 | 2常开 | AC:240V | 20mS~10S(级差10mS) | <20mS |
| HBDDR-123/6 | 2常开 | AC:380V | 20mS~10S(级差10mS) | <20mS |

| 额定参数 | |
| 直流额定电压 | 48V、110V、220V可选 |
| 交流额定电压 | 220V、240V、380V可选 |
| 直流动作电压 | ≤70%额定电压 |
| 交流动作电压 | ≤75%额定电压 |
| 电压波动范围 | 0.8~1.15额定值 |
| 延时时间 | 20mS~10S(级差10mS) |
| 返回时间 | <20mS |
| 功耗 | ≤5W |
| 绝缘性能 | |
| 绝缘电阻 | 继电器外壳与外露带电端子之间用开路电压500V的兆欧表测量,绝缘电阻不小于10MΩ |
| 绝缘耐压 | 继电器外壳与外露带电端子之间能耐受2KV(有效值)50Hz试验电压,历时1分钟,无击穿或闪络现象 |
| 环境条件 | |
| 环境温度 | -15℃~55℃ |
| 工作电压 | 不大于120%额定电压 |
| 工作位置 | 任意 |
| 周围磁场强度 | 小于0.5mT |
| 环境相对湿度 | 不大于90% |
| 大气压力 | 80~110KPa |
| 温度 | -25℃~+70℃ |
| 海拔高度 | 不大于2500 米 |








