上海聚仁电力

电力及自动化系统设备制造商
专注于35KV及以下电力二次设备产品的研发和方案提供

021-37195759 021-67183050
电力及二次设备制造商
首页> 技术文章>继电器>中间继电器>电磁型中间继电器>DZ-3/Z型中间继电器

联系我们

  •  181-1722-3661
  •  021-67183050
  •  021-37190051
  •  jurendianli@163.com

  • DZ-3/Z4中间继电器
  • 文章类别:DZ-3/Z型中间继电器
  • 文章概述
  • 型号:DZ-3Z/4;
    触点形式:8动断;
    壳体形式:JK-1壳体(板前板后可选);
    可选用RZ系列导轨式集成电路中间继电器。

  • 询价留言

    • DZ-3/Z4用途
      DZ-3/Z4中间继电器(以下简称继电器)用在保护和自动控制装置中作为辅助元件,以扩大被控电路,提高接触能力。
      DZ-3/Z4结构及特点
      采用电磁式、螺管结构,触点对数多,容量大,直流操作,动作快。壳体结构采用JK-1(凸出式后接线)、JKF-1Q(凸出式前接线)和JK-6/1(嵌入式后接线)标准组件。
      DZ-3/Z4主要技术要求

      1、技术参数图如下所示:
      DZ-3/Z4中间继电器技术参数
      2、动合触点较大8个,动断触点较大8个
      3、继电器额定电压为24V\、48V、110V、220V可选
      4、继电器的动作时间不大于60ms。
      5、功率消耗:在额定电压下不大于4W。
      6、触点的较大流通能力在交流或直流220V下为15A。
      7、触点长期允许通过电流为5A。
      8、中间继电器电寿命为5×103次。
      9、继电器机械寿命为2.5×104次。

      DZ-3/Z4内部接线图

      DZ-3/Z4接线图

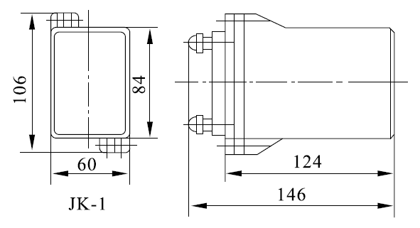
      DZ-3/Z4外形尺寸图
      DZ-3/Z4外形尺寸图
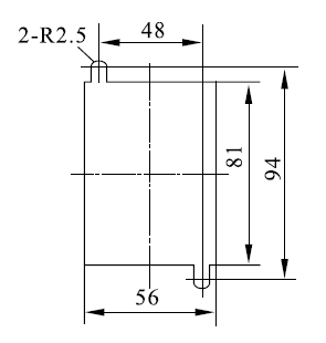
      DZ-3/Z4安装开孔尺寸图
      DZ-3/Z4安装开孔尺寸图
      DZ-3/Z4端子图
      DZ-3/Z4端子图