电力及自动化系统设备制造商
专注于35KV及以下电力二次设备产品的研发和方案提供
021-37195759
021-67183050
产品中心
电力继电器
中间继电器
|
时间继电器
|
电压继电器
|
电流继电器
|
过流继电器
|
抗晃电继电器
|
双位置继电器
|
跳闸回路监视继电器
|
同步检查继电器
|
相序、断线保护继电器
|
分闸、合闸、电源监视继电器
|
闪光继电器
|
冲击继电器
|
闭锁继电器
|
信号继电器
|
漏电继电器
|
组合式报警继电器
微机保护
微机综合保护测控装置
|
小型化保护装置
|
电流型保护装置
|
无源自供电保护
|
10KV通用保护
|
10KV通用保护测控
|
35KV通用保护测控
|
电压综合测控单元
|
通用型差动保护
电力仪表
多功能表
|
单相电流表
|
三相电流表
|
单相电压表
|
三相电压表
电源设备
立式直流屏
|
壁挂直流电源
|
一体式直流操作电源
|
分布式直流操作电源
|
EPS应急电源
|
UPS不间断电源
光伏二次设备
防孤岛保护装置
|
逆功率保护装置
|
故障解列装置
|
A类电能质量在线监测装置
|
B类电能质量在线监测装置
|
光纤差动保护测控装置
|
光伏新能源测控一体化装置
|
光伏并网柜
电力后台设备
故障录波屏
|
配电室环境监控系统
|
DTU配网自动化终端
|
远动通讯屏
|
通讯管理机
|
35KV电力自动化系统
开关柜及设备
发电车应急电源接入系统
|
非接触式高压带电显示装置
|
智能操控装置
|
开关状态显示仪
|
单相交直流电源综合测试仪
网站首页
关于聚仁
项目业绩
企业实景
技术文章
联系方式
首页
产品中心
电力继电器
微机保护装置
光伏二次设备
电力仪表设备
电力综合自动化系统
电源类
开关柜及设备
关于聚仁
项目业绩
联系方式
首页
>
技术文章
>
继电器
>
中间继电器
>
延时中间继电器
产品目录
电力继电器
微机保护装置
光伏二次设备
电力仪表设备
电力综合自动化系统
电源类
开关柜及设备
联系我们
181-1722-3661
021-67183050
021-37190051
jurendianli@163.com
RZF-D系列断电延时中间继电器
文章类别:
延时中间继电器
文章概述
型号:RZF-D系列静态断电延时中间继电器;
延时范围:0.02-5S;
壳体形式:导轨安装壳体;
完全可替代JZS-7系列断电延时中间继电器使用。
询价留言
产品详情
产品分类
相关文章
项目业绩
RZF-D概述
RZF-D系列延时中间继电器用于电力系统二次回路各种保护和自动化控制线路中作为辅助继电器,以延迟动作时间并增加前一级接点的数量及接点容量。
RZF-D导轨式通电延时继电器,该继电器为集成电路静态型继电器,精度高、功耗小、动作时间准备、整定直观方便、范围观,继电器更新换代的优选产品。
创新导轨式安装结构,让您安装更方便;小巧的体积,轻量化的结构,更安全的高密度安装。
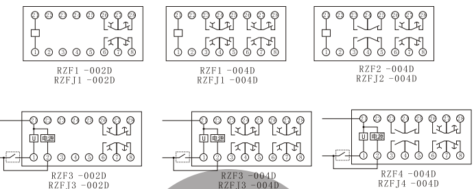
RZF-D型号分类及含义
RZF-D主要技术参数
1、延时范围:0.02-9.99S,0.02-99.99S,0.02S-999H
2、触点容量:在电压不超过250V,电流不超过1A,时间常数为5MS±0.75MS直流有感负荷电路中,触点断开容量不小于50W;在电压不超过250V,电流不超过5A,功率因数为COSφ=0.4±0.1的交流电路中,断开容量不小于500VA。触点在上述规定的负荷条件下能可靠动作及返回不少于50000次。触点长期允许接通电流不小于5A。
3、功率消耗:额定值下不大于5W/7VA。
4、绝缘性能:同一付开点间耐压不小于1KV/50Hz为时1分钟的工频耐压。不同组触点间,不同回路间不小于2KV/50Hz为时1分钟的工频耐压。用1KV摇表测试任意端子对外壳,其绝缘电阻不小于100M。
RZF-D内部接线图(正视图)
RZF-D产品外形尺寸图
电力继电器
微机保护装置
光伏二次设备
电力仪表设备
电力综合自动化系统
电源类
开关柜及设备
ZJY-040/AC静态中间继电器
HJL-E3/B电流继电器
JDY-5200电压继电器
FHP-33Q/3跳合位电源监视控制继电器
HJDZ-E022(L)端子排中间继电器
HZH-24VAC-2H-1H1D-1D综合控制继电器
JELR-2000漏电继电器
SRS-24VAC-4Z-16A静态中间继电器
DZY-218中间继电器
SRLS-B-110-110-8H双输入单稳态双位置中间继电器
JZ-7GY-L110B直流大功率中间继电器
JD3-100/33漏电继电器
HBDLX-13/1零序电压继电器
HDLN-1-2H-4过电流继电器
XZJ-7R-4H直流信号中间继电器
DT-1/160同步检查继电器
UEG/A-8H中间继电器
DZJ-219X中间继电器
HJXH-E2/U信号继电器
SSJ8-12D时间继电器
电厂电站
石油化工
矿山冶金
楼宇配电
光伏新能源
充电站
轨道交通
励磁系统
出口项目
QQ咨询
3355853136
联系电话
021-67183050
询价留言
关注聚仁
返回顶部