上海聚仁电力

电力及自动化系统设备制造商
专注于35KV及以下电力二次设备产品的研发和方案提供

021-37195759 021-67183050
电力及二次设备制造商
首页> 技术文章>继电器>信号继电器>JX型信号继电器

联系我们

  •  181-1722-3661
  •  021-67183050
  •  021-37190051
  •  jurendianli@163.com

  • JX-21B信号继电器
  • 文章类别:JX型信号继电器
  • 文章概述
  • 产品型号:JX-21B
    启动类型:电压型
    额定电压:DC48V、110V、220V
    安装方式:导轨安装

  • 询价留言

    • 概述
      JX-21B信号继电器应用于直流操作保护线路中,作为信号指示器用。继电器由电流或电压动作,灯光信号,磁保持,手复归或电复归。可靠性好,可替代原有的DX-11、DX-11A系列、DX-8、DX-8G系列,DXM-2A系列,DX-30系列等电磁型信号继电器。JX-21B采用导轨安装结构,具有接线方便、多个拼接、整定精度高、动作准确等特点。
      JX-21B型号及其含义
      JX-21B型号及其含义
      JX-21B工作原理

      JX-21B工作原理图

      JX-21B信号继电器由光电耦合和电阻等器件组成采样检测回路。当被测信号到达一定值时,光耦开通,开通信号经一个运算放大器放大,推动后级出口回路,使出口继电器动作。并由自保持回路进行自保持,在启动回路信号消失后继电器依然处于动作状态,只有在按下复归按钮或在复归端施加复归电压后,继电器方可返回。
      JX-21B主要特点
      ■动作速度快,克服了原电磁式继电器不能指示真空开关快速动作信号的缺陷。
      ■既具有就地复归方式,又具有远方复归方式,可实现远程控制。
      ■JX-21B的复归方式有通电与断电两种,以便用户灵活选择。
      ■既有电保持,又有磁保持,信号记忆可靠,带有多组动合触点,既可接入LED光字牌或白炽灯光字牌,也能满足远传要求。
      ■电流启动型启动电流通用范围宽(0.01~2A),极大地便于用户选型和压缩库存。
      ■可导轨安装也可面板开孔安装。
      JX-21B启动类型及额定值
      型号 启动类型 启动值 可替代型号
      JX-11 电压型 DC48V、DC110V、DC220V DX11、DX11A
      JX-12 电流型 0.01A~2A DX11、DX11A
      JX-21 电压型 DC48V、DC110V、DC220V DX8
      JX-22 电流型 0.01A~2A DX8
      JX-31 电压型 DC48V、DC110V、DC220V DX31A、DX31B
      JX-32 电流型 0.01A~2A DX31A、DX31B
      JX-21A 电压型 DC48V、DC110V、DC220V DX8
      JX-21B 电压型 DC48V、DC110V、DC220V DX8
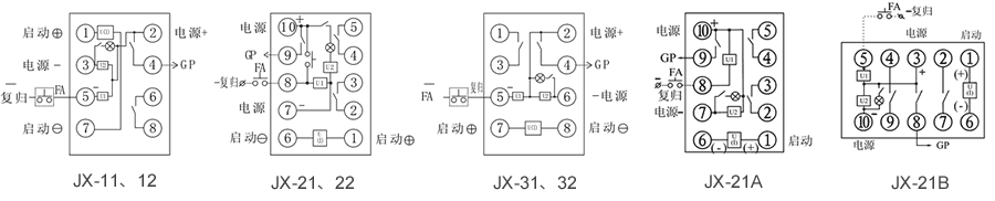
      接线图
      JX-21B内部接线图
      JX-21B技术参数
      额定参数
      电压型启动值 DC48V、110V、220V可选
      电流型启动值 0.01A~2A
      功耗 ≤5W
      绝缘性能
      绝缘电阻 继电器外壳与外露带电端子之间用开路电压500V的兆欧表测量,绝缘电阻不小于10MΩ
      绝缘耐压 继电器外壳与外露带电端子之间能耐受2KV(有效值)50Hz试验电压,历时1分钟,无击穿或闪络现象
      环境条件
      环境温度 -15℃~55℃
      工作电压 不大于120%额定电压
      工作位置 任意
      周围磁场强度 小于0.5mT
      环境相对湿度 不大于90%
      大气压力 80~110KPa
      温度 -25℃~+70℃
      海拔高度 不大于2500 米
      主要特点

      JX-21B信号继电器阻燃壳体导轨型

      JX-21B信号继电器阻燃壳体嵌入式面板型

      JX-21B静态集成电路

      导轨安装结构
      JX-21B导轨安装结构
      嵌入式面板安装结构
      JX-21B导轨安装结构