上海聚仁电力

电力及自动化系统设备制造商
专注于35KV及以下电力二次设备产品的研发和方案提供

021-37195759 021-67183050
继电器选型
首页> 产品中心>闭锁继电器

联系我们

  •  181-1722-3661
  •  021-67183050
  •  021-37190051
  •  jurendianli@163.com

  • LB-7闭锁继电器
  • 所属类别:闭锁继电器
  • 保护功能

    缺相时闭锁保护

    额定电压

    100V

    额定功率

    50Hz

    动作时间

    不大于15ms

    触点容量

    8A,250V

    安装方式

    35mm导轨条安装

    我要询价留言

    • LB-7闭锁继电器
      LB-7静态闭锁继电器是上海聚仁电力在传统电磁型继电器的基础上进行研发升级的。主要适用于发电厂及变电所内高压母线上的电压互感器(PT)的二次侧、当高压母电时防止工作人员误合接地刀闸,安装LB-7闭锁继电器可防止此类安全问题的发生。LB-7闭锁继电器采用35mm导轨安装方式,安装方便。LED灯分别显示A、B、C三相是否带电或缺相,并且具有独立的闭锁灯显示,运行精度高,安全可靠。升级后接线方式与传统的电磁型LB-7闭锁继电器基本一致。
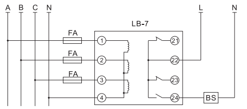
      LB-7闭锁继电器接线图
      闭锁继电器接线图
      技术参数

      保护功能

      缺相时闭锁保护

      额定电压

      100V

      额定功率

      50Hz

      动作时间

      不大于15ms

      触点容量

      8A,250V

      安装方式

      35mm导轨条安装

       
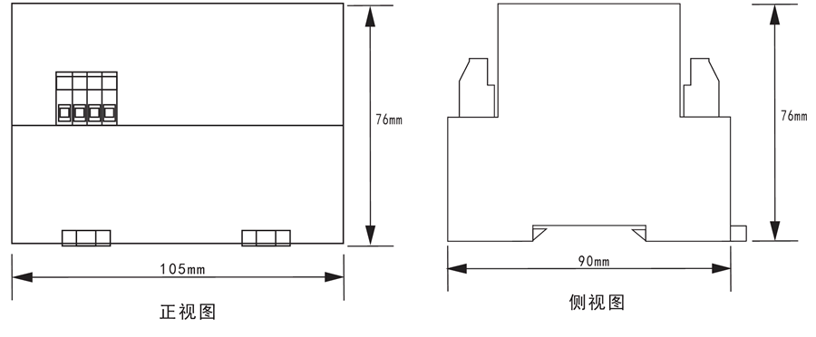
      外形尺寸图
      LB-7闭锁继电器外形尺寸图