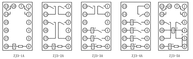
●触点形式见下表

●额定电压:24V、48V、110V、220V。
●电流保持值:具有电流保持绕组的继电器,保持电流不大于80%额定保持值。
●电压保持值:具有电压保持绕组的继电器,保持电压不大于50%额定保持值。
●返回值:ZJ3-5A中间继电器的返回值不小于额定值5%。
●线圈温升:当周围环境温度为40℃时,其电压绕组应能长期承受110%额定电压,线圈温升不超过65℃。
●介质强度:继电器所有电路与外露非带电金属部分之间以及在电气上无联系的各电路之间的介质强度应能承受50Hz,2000V,1min的试验,无击穿或闪络现象。
●绝缘电阻值:应不小于 300MΩ。
●触点断开容量:在直流有感(τ=5ms)回路,U≤250V,I≤2A为50W;在交流(cosφ=0.4)回路,U≤250V,I≤2A为250VA。
●功率消耗:不大于5W。
●触点长期允许接通电流:10A,历时10s。
●电寿命:5×10
4次。
●机械寿命:2.5×10
4次。