电力及自动化系统设备制造商
专注于35KV及以下电力二次设备产品的研发和方案提供
021-37195759
021-67183050
产品中心
电力继电器
中间继电器
|
时间继电器
|
电压继电器
|
电流继电器
|
过流继电器
|
抗晃电继电器
|
双位置继电器
|
跳闸回路监视继电器
|
同步检查继电器
|
相序、断线保护继电器
|
分闸、合闸、电源监视继电器
|
闪光继电器
|
冲击继电器
|
闭锁继电器
|
信号继电器
|
漏电继电器
|
组合式报警继电器
微机保护
微机综合保护测控装置
|
小型化保护装置
|
电流型保护装置
|
无源自供电保护
|
10KV通用保护
|
10KV通用保护测控
|
35KV通用保护测控
|
电压综合测控单元
|
通用型差动保护
电力仪表
多功能表
|
单相电流表
|
三相电流表
|
单相电压表
|
三相电压表
电源设备
立式直流屏
|
壁挂直流电源
|
一体式直流操作电源
|
分布式直流操作电源
|
EPS应急电源
|
UPS不间断电源
光伏二次设备
防孤岛保护装置
|
逆功率保护装置
|
故障解列装置
|
A类电能质量在线监测装置
|
B类电能质量在线监测装置
|
光纤差动保护测控装置
|
光伏新能源测控一体化装置
|
光伏并网柜
电力后台设备
故障录波屏
|
配电室环境监控系统
|
DTU配网自动化终端
|
远动通讯屏
|
通讯管理机
|
35KV电力自动化系统
开关柜及设备
发电车应急电源接入系统
|
非接触式高压带电显示装置
|
智能操控装置
|
开关状态显示仪
|
单相交直流电源综合测试仪
网站首页
关于聚仁
项目业绩
企业实景
技术文章
联系方式
首页
产品中心
电力继电器
微机保护装置
光伏二次设备
电力仪表设备
电力综合自动化系统
电源类
开关柜及设备
关于聚仁
项目业绩
联系方式
首页
>
技术文章
>
继电器
>
双位置继电器
>
JSW型双位置继电器
产品目录
电力继电器
微机保护装置
光伏二次设备
电力仪表设备
电力综合自动化系统
电源类
开关柜及设备
联系我们
181-1722-3661
021-67183050
021-37190051
jurendianli@163.com
JSW-31双位置继电器
文章类别:
JSW型双位置继电器
文章概述
产品型号:JSW-31双位置继电器
触点形式:2常闭3转换
额定电压:48V、110V、220V(DC)
安装方式:导轨安装
询价留言
产品详情
产品分类
相关文章
项目业绩
概述
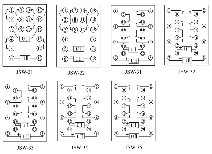
JSW-31双位置继电器又称双稳态继电器,用于直流操作的保持和控制回路中作为反应手动操作开关位置指示器,并实现闭锁。以实现闭锁作用。是电力系统和自动化控制中老型电磁式双位置中间继电器更新首选产品。采用导轨式安装结构,体积小,安装方便。采用多个进口小型密封继电器组成,具有功耗低、发热小、动作时间快、触点容量大等特点。
JSW-31型号及含义
JSW-31触点形式
型号
触点形式
额定电压
JSW-21
4常开2转换
DC:48V、110V、220V
JSW-22
4转换
DC:48V、110V、220V
JSW-31
2常开3转换
DC:48V、110V、220V
JSW-32
1常开3常闭2转换
DC:48V、110V、220V
JSW-33
2常开3转换
DC:48V、110V、220V
JSW-34
2常开2常闭2转换
DC:48V、110V、220V
JSW-35
3常开1常闭2转换
DC:48V、110V、220V
JSW-31内部接线图
企业实拍
主要特点
导轨安装结构
电力继电器
微机保护装置
光伏二次设备
电力仪表设备
电力综合自动化系统
电源类
开关柜及设备
JELR-200漏电继电器
HZH-110VAC-2H-2H-1H综合控制继电器
HBZY-315中间继电器
JZZS-5072分闸合闸电源监视继电器
DY-29C低电压继电器
ZJBS-602小电流启动中间继电器
JZ-S/2412中间继电器
JZ-7Y-203XMT跳位合位电源监视继电器
JDY-1020A过电压继电器
DZS-17E/302延时中间继电器
HBTS-101A/3时间继电器
DZS-239带延时的电磁式中间继电器
JY-41A过电压继电器
DZBS-006小电流启动中间继电器
JD3-70/334漏电继电器
JX-18C/2A2信号继电器
JWY-42A过电压继电器
BZS-18中间继电器
SRMUVT-110VAC-2H2D电压继电器
GL-17电磁式过流继电器
电厂电站
石油化工
矿山冶金
楼宇配电
光伏新能源
充电站
轨道交通
励磁系统
出口项目
QQ咨询
3355853136
联系电话
021-67183050
询价留言
关注聚仁
返回顶部