上海聚仁电力

电力及自动化系统设备制造商
专注于35KV及以下电力二次设备产品的研发和方案提供

021-37195759 021-67183050
电力及二次设备制造商
首页> 技术文章>继电器>中间继电器>低电流启动中间继电器

联系我们

  •  181-1722-3661
  •  021-67183050
  •  021-37190051
  •  jurendianli@163.com

  • RZXL-D静态小电流启动中间继电器
  • 文章类别:低电流启动中间继电器
  • 文章概述
  • 产品型号:RZXL-D静态小电流启动中间继电器
    辅助电源:110V 220V 380V 交直流通用;
    壳体形式:导轨式安装壳体。

  • 询价留言

    • RZXL-D概述
      RZXL-D继电器用于断路器合位监视,跳位监视,电源失电监视回路中,特别适合新型的进口开关。本产品具有启动电流小,启动线圈内阻大,交直流通用的特点。
      具有以下特点:
      1、RZ系列继电器是采用导轨式安装结构,体积小,安装方便。
      2、跳位、合位采用电子光隔启动,启动电流小、内阻大、交直流通用。
      3、辅助电源交直流通用。
      4、采用多个进口小型密封继电器组成,功耗低发热小、动作时间快。
      5、触点容量大。
      RZXL-D型号分类及含义
      RZXL-D型号分类及含义
      RZXL-D技术参数
      1、额定值:额定电压 DC/AC110V、220V、380V。
      2、动作值:动作电压直流应不大于额定电压 70%,交流应不大于额定电压 80%;
      3、动作时间:直流大不于15ms,交流不大于25ms。
      4、触点容量:在电压不超过250V,电流不超过1A,时间常数为5ms±0.75ms直流有感负荷电路中,断开容量为150W;
         在电压不超过250V,电流不超过10A,功率因数为cosφ=0.4±0.1的交流电路中,断开容量为1500VA。输出触点在上述规定
         的负荷条件下,产品能可靠动作及返回5×104次。输出触点长期允许接通电流为5A。    
      5、启动回路电流不大于1mA,启动回路内阻200K-500K之间(根据配合断路器电压等级不同而不同),订货时能提供所监视
         断路器跳合闸线圈的功率或内阻,方便出厂时准确调整好启动电流,保证使用时断路器不误动作。
      6、功率消耗:在额定电压下不大于5W/5VA。
      7、绝缘耐压:继电器所有电路对外壳及非带电金属部分,以及电气无联系的各电路之间耐受交流 50HZ电压2KV历时1分钟试验无击穿。
      RZXL-D内部接线图
      RZXL-D内部接线图
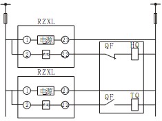
      RZXL-D实例接线图
      RZXL-D实际应用接线图
      RZXL-D外形尺寸图
      RZXL-D外形尺寸