










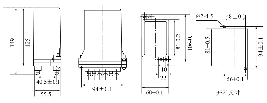
型号:DZ-31B;
触点形式:3常开3转换;
结构类型:凸出式插拔结构;
可选用RZ系列集成电路导轨式中间继电器替代;
●额定电压:直流220V、110V、48V、24V、12V可选。
●动作值:额定电压值30~70%。
●返回值:不小于额定值的5%。
●动作时间:在额定电压下,动作时间不大于45ms。
●返回时间:不大于60ms。
●功率消耗:不大于7W。
●触点容量:在电压不超过250V,电流不超过5A,时间常数为5±0.75ms的直流有感负荷电路中,产品输出触点的断开容量为50W。
●DZ-31B输出触点长期允许接通电流为5A。
●可靠动作及返回系数:5×104次。
