电力及自动化系统设备制造商
专注于35KV及以下电力二次设备产品的研发和方案提供
021-37195759
021-67183050
产品中心
电力继电器
中间继电器
|
时间继电器
|
电压继电器
|
电流继电器
|
过流继电器
|
抗晃电继电器
|
双位置继电器
|
跳闸回路监视继电器
|
同步检查继电器
|
相序、断线保护继电器
|
分闸、合闸、电源监视继电器
|
闪光继电器
|
冲击继电器
|
闭锁继电器
|
信号继电器
|
漏电继电器
|
组合式报警继电器
微机保护
微机综合保护测控装置
|
小型化保护装置
|
电流型保护装置
|
无源自供电保护
|
10KV通用保护
|
10KV通用保护测控
|
35KV通用保护测控
|
电压综合测控单元
|
通用型差动保护
电力仪表
多功能表
|
单相电流表
|
三相电流表
|
单相电压表
|
三相电压表
电源设备
立式直流屏
|
壁挂直流电源
|
一体式直流操作电源
|
分布式直流操作电源
|
EPS应急电源
|
UPS不间断电源
光伏二次设备
防孤岛保护装置
|
逆功率保护装置
|
故障解列装置
|
A类电能质量在线监测装置
|
B类电能质量在线监测装置
|
光纤差动保护测控装置
|
光伏新能源测控一体化装置
|
光伏并网柜
电力后台设备
故障录波屏
|
配电室环境监控系统
|
DTU配网自动化终端
|
远动通讯屏
|
通讯管理机
|
35KV电力自动化系统
开关柜及设备
发电车应急电源接入系统
|
非接触式高压带电显示装置
|
智能操控装置
|
开关状态显示仪
|
单相交直流电源综合测试仪
网站首页
关于聚仁
项目业绩
企业实景
技术文章
联系方式
首页
产品中心
电力继电器
微机保护装置
光伏二次设备
电力仪表设备
电力综合自动化系统
电源类
开关柜及设备
关于聚仁
项目业绩
联系方式
首页
>
技术文章
>
继电器
>
中间继电器
>
电磁型中间继电器
>
DZB-100型带保持中间继电器
产品目录
电力继电器
微机保护装置
光伏二次设备
电力仪表设备
电力综合自动化系统
电源类
开关柜及设备
联系我们
181-1722-3661
021-67183050
021-37190051
jurendianli@163.com
DZB-115带保持中间继电器
文章类别:
DZB-100型带保持中间继电器
文章概述
产品型号:DZB-115带保持中间继电器;
触点形式:2常开2常闭;
功能特点:电流动作电压保持中间继电器。
询价留言
产品详情
产品分类
相关文章
项目业绩
DZB-115概述
DZB-100型继电器属于带保持中间继电器作为辅助继电器,用于直流操作回路中,以增加主保护的触点容量和数量。常见的型号为DZB-115、DZB-127、DZB-138等。其中DZB-15为电流动作电压保持中间继电器、DZB-127、DZB-138为电压动作电流保持中间继电器。
DZB-115触点及规格
技术参数
●动作电压:为30%~70%额定值。
●动作电流:不大于80%额定值。
● 返回值:不小于额定值的5%。
● 保持值:保持电流不大于80%;DZB-138保持电流不大于65%;保持电压不大于70%。
● 动作时间:在额定值下不大于45ms. ● 返回时间:当输入激励量由额定值降至零时,继电器的返回时间不大于60ms. ● 功率消耗:不大于7W。
● 介质强度:产品各导电端子连在起,对外露的非带电金属部分或外壳之间,能承受2000V(有效值)50Hz的交流电历时1分钟试验而无绝缘击穿或闪络现象。
●触点长期允许接通电流:5A。
●触点断开容量:在电压不超过250V,电流不超过5A,时间常数为5±0.75ms的直流有感负荷电路中,触点的断开容量为50W。
●电寿命:5×10
3
次。
●机械寿命:2.5×10
4
次。
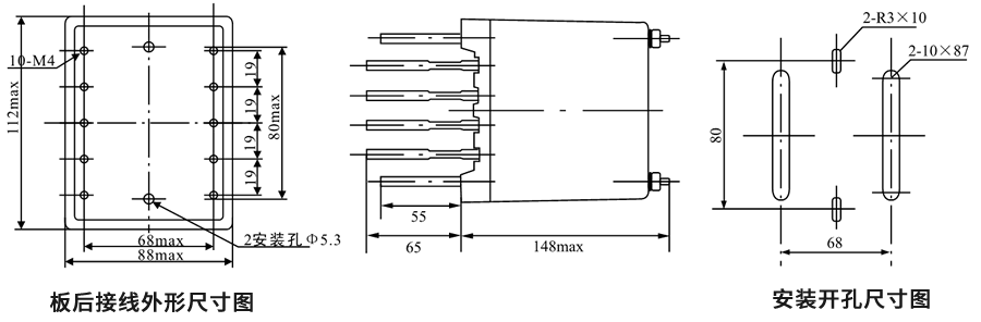
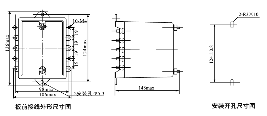
DZB-115端子接线图
DZB-115板前接线
DZB-115板后接线
DZB-115端子图
电力继电器
微机保护装置
光伏二次设备
电力仪表设备
电力综合自动化系统
电源类
开关柜及设备
HJTH-E22ML中间继电器
SRS-230VAC-8H-10A静态中间继电器
JZZS-1323分合闸监视控制继电器
HJLL-94/B零序电流继电器
RGL-25静态反时限过流继电器
JZL-002静态中间继电器
HBDS-823/1中间继电器
HBTS-201A/1时间继电器
DZS-244带延时的电磁式中间继电器
HZH-48VDC-2H-2D-1D综合控制继电器
SRS-48VDC-3Z-16A静态中间继电器
DZL-202X中间继电器
HBBZS-404S/2小电流启动中间继电器
JSW-34双位置继电器
XJBZ-233保持中间继电器
JZ-7GY-S170K直流小功率中间继电器
JZS-7/343H-8延时中间继电器
HBDNY-62/2低电流继电器
HBDY-9A21/DE过电压继电器
DY-25C过电压继电器
电厂电站
石油化工
矿山冶金
楼宇配电
光伏新能源
充电站
轨道交通
励磁系统
出口项目
QQ咨询
3355853136
联系电话
021-67183050
询价留言
关注聚仁
返回顶部