电力及自动化系统设备制造商
专注于35KV及以下电力二次设备产品的研发和方案提供
021-37195759
021-67183050
产品中心
电力继电器
中间继电器
|
时间继电器
|
电压继电器
|
电流继电器
|
过流继电器
|
抗晃电继电器
|
双位置继电器
|
跳闸回路监视继电器
|
同步检查继电器
|
相序、断线保护继电器
|
分闸、合闸、电源监视继电器
|
闪光继电器
|
冲击继电器
|
闭锁继电器
|
信号继电器
|
漏电继电器
|
组合式报警继电器
微机保护
微机综合保护测控装置
|
小型化保护装置
|
电流型保护装置
|
无源自供电保护
|
10KV通用保护
|
10KV通用保护测控
|
35KV通用保护测控
|
电压综合测控单元
|
通用型差动保护
电力仪表
多功能表
|
单相电流表
|
三相电流表
|
单相电压表
|
三相电压表
电源设备
立式直流屏
|
壁挂直流电源
|
一体式直流操作电源
|
分布式直流操作电源
|
EPS应急电源
|
UPS不间断电源
光伏二次设备
防孤岛保护装置
|
逆功率保护装置
|
故障解列装置
|
A类电能质量在线监测装置
|
B类电能质量在线监测装置
|
光纤差动保护测控装置
|
光伏新能源测控一体化装置
|
光伏并网柜
电力后台设备
故障录波屏
|
配电室环境监控系统
|
DTU配网自动化终端
|
远动通讯屏
|
通讯管理机
|
35KV电力自动化系统
开关柜及设备
发电车应急电源接入系统
|
非接触式高压带电显示装置
|
智能操控装置
|
开关状态显示仪
|
单相交直流电源综合测试仪
网站首页
关于聚仁
项目业绩
企业实景
技术文章
联系方式
首页
产品中心
电力继电器
微机保护装置
光伏二次设备
电力仪表设备
电力综合自动化系统
电源类
开关柜及设备
关于聚仁
项目业绩
联系方式
首页
>
技术文章
>
继电器
>
中间继电器
>
电磁型中间继电器
>
DZS-100型延时中间继电器
产品目录
电力继电器
微机保护装置
光伏二次设备
电力仪表设备
电力综合自动化系统
电源类
开关柜及设备
联系我们
181-1722-3661
021-67183050
021-37190051
jurendianli@163.com
DZS-145延时中间继电器
文章类别:
DZS-100型延时中间继电器
文章概述
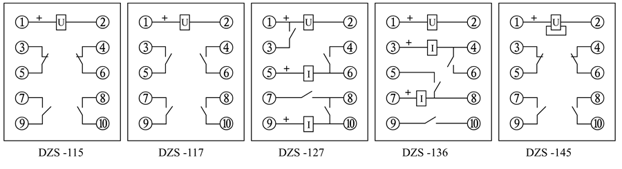
产品型号:DZS-145延时中间继电器;
延时范围:在额定电压下不小于0.06s,在额定电压下不小于0.4s,短接工作绕组不小于0.8;
触点形式:2动合2动断;
安装方式:凸出式固定结构;
额定电压:DC220V、DC110V。
询价留言
产品详情
产品分类
相关文章
项目业绩
DZS-145概述
DZS-145继电器为延时中间继电器,主要作为辅助继电器,用于直流操作的保护回路中,以增加主保护继电器的触点数量或触点容量。DZS-115、DZS-117、DZS-127为延时电压动作中间继电器,DZS-136为电流保持继中间电器,DZS-145型为延时返回继电器。
DZS-145触点形式
技术参数
●动作值:动作电压不大于30~70%额定值。
●动作电流:不大于80%额定值。
●保持电流:不大于80%额定电流。
●动作时间:不小于0.06s(DZS-145型除外)。
●返回时间:DZS-145在额定电压下,通电时间不小于0.5s然后切断电源,返回时间不小于0.8s;其它型继电器切断电源后立即返回。
●触点容量:在电压不超过250V,电流不超过5A,时间常数为5±0.75ms的直流有感负荷电路中。
●触点断开容量:50W。
● 介质强度:产品各导电端子连在起,对外露的非带电金属部分或外壳之间,能承受2000V(有效值)50Hz的交流电历时1分钟试验而无绝缘击穿或闪络现象。
●触点长期允许接通电流:5A。
●触点断开容量:在电压不超过250V,电流不超过5A,时间常数为5±0.75ms的直流有感负荷电路中,触点的断开容量为50W。
●电寿命:5×10
3
次。
●机械寿命:2.5×10
4
次。
DZS-145端子接线图
DZS-145板前接线
DZS-145板后接线
DZS-145端子图
电力继电器
微机保护装置
光伏二次设备
电力仪表设备
电力综合自动化系统
电源类
开关柜及设备
HBDS-823/4中间继电器
JY-33B低电压继电器
UEG/F-6H中间继电器
JZ-7J-33H-01交流中间继电器
JDZS-5104A可调通电延时中间继电器
DY-27D低电压继电器
HBZL-318中间继电器
SRS-48VAC-3Z-8A静态中间继电器
JS-113A时间继电器
JDZS-1112A可调通电延时中间继电器
JZ-S/2218中间继电器
JZS-7/268中间继电器
SRS-48VAC-2H2D-10A静态中间继电器
ZJBS-400小电流启动中间继电器
SSJ8-21C时间继电器
HBDLL-91A/2双位置继电器
JZS-7/721静态延时中间继电器
SRDX-1-220VDC/12VDC信号继电器
DT-13/254同步检查继电器
SRS-220VDC-4H4D-16A静态中间继电器
电厂电站
石油化工
矿山冶金
楼宇配电
光伏新能源
充电站
轨道交通
励磁系统
出口项目
QQ咨询
3355853136
联系电话
021-67183050
询价留言
关注聚仁
返回顶部