








产品型号: DS-34 电磁式时间继电器。
延时范围:2-20S。
壳体安装方式:嵌入式板后接线、JK-11H凸出式板后接线、JK-11Q板前接线。
额定电压:DC220V、DC110V、DC48V、DC24V。
触点:两付瞬时转换触点,一付延时主触点(终止触点)。
产品特性:继电器是带有延时机构的螺管线圈式继电器,具有交流和直流规格。
继电器采用JK-11K、H、Q壳体,其外形尺寸、背后端子图、安装开孔尺寸见附录。背后端子接线图.
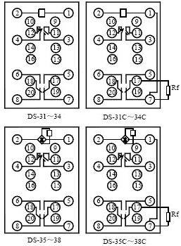
见图1

长期工作制继电器的外附电阻Rf 型号见表3

外形及安装尺寸见图2

继电器是带有延时机构的螺管线圈式继电器,具有交流和直流规格。继电器的交流规格继电器内部装有桥式整流器,将交流电源整流后供给电磁机构,每台继电器具有两副瞬时转换触点,一副滑动延时触点,一副延时主触点。当加电压于线圈两端时,唧子(铁心)克服塔形弹簧的反作用力被吸入,瞬时转换触点进行瞬时转换,同时延时机构启动,经过一定的延时,然后闭合滑动延时触点和延时主触点。主触点接触后由于上挡限制机构的转动,机构停止,从而得到所需延时。当线圈断电时,在塔形弹簧的作用下,使唧子和延时机构返回原位。
1.继电器主要技术数据列于表1中

2.在基准条件下,直流继电器的动作电压为不大于70%额定电压,带“C”的直流继电器的动作电压为不大于75%额定电压;交流继电器的动作电压为不大于85%额定电压。
3.在基准条件下,继电器的返回电压为不小于5%额定电压。
4.继电器主触点延时一致性见表2(20±5℃下,同一整定点测量10次动作中,较大与较小之差)。
表 2.

5.连续耐热值
当周围介质温度为40℃时,短期工作制继电器的线圈应能承受110%额定电压值,历时2min,其温升应不超过65℃;长期工作制继电器的线圈,应能长期承受110%额定电压值,其温升应不超过65℃。
6.额定电压下的功率消耗
DS—31~34 不大于25W。
DS—31C~34C 不大于15W。
DS—35~38 不大于25VA。
DS—35C~38C 不大于15VA。
7.介质强度
继电器各导电电路连在一起与外露的非带电金属部分及外壳之间,能承受2kV(有效值),50Hz的交流电压历时1min试验,耐无绝缘击穿或闪络现象。
8.触点断开容量
直流有感(τ=5ms)回路,U≤250V,I≤1A为,50W;在交流(cosФ=0.4)回路,U≤250V,I≤1A,为250VA。
9.电寿命5×103次,机械寿命104次。
10.继电器的重量:约1kg。
