







采用进口CMOS集成电路构成,利用分频、计数原理实现延时。标准时钟脉冲由石英晶体振荡器产生。 SS-94B/1-1时间继电器一旦施加额定电压,内部瞬动继电器动作并出口,同时使晶体起振,产生时钟脉冲,经分频后计数器计数,当所计脉冲数达到延时整定值时,触发器翻转,驱动执行继电器动作出口。

| 型号 | 延时范围 | 级差 | 触点类型 |
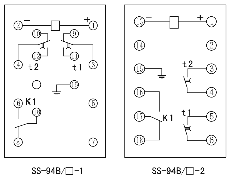
| SS-94B/1-1 | 0.02ms~99.99s | 10ms | 双延时(即两副可独立调整延时转换触点,1副瞬动转换触点) |
| SS-94B/2-1 | 1s~9999s | 1s | |
| SS-94B/1-2 | 0.02ms~99.99s | 10ms | 双延时(即两副可独立调整延时动合触点,1副瞬动转换触点) |
| SS-94B/2-2 | 1s~9999s | 1s |





