上海聚仁电力

电力及自动化系统设备制造商
专注于35KV及以下电力二次设备产品的研发和方案提供

021-37195759 021-67183050
电力及二次设备制造商
首页> 技术文章>继电器>中间继电器>电磁型中间继电器>DZB-10CE型带保持中间继电器

联系我们

  •  181-1722-3661
  •  021-67183050
  •  021-37190051
  •  jurendianli@163.com

  • DZB-15CE/312保持中间继电器
  • 文章类别:DZB-10CE型带保持中间继电器
  • 文章概述
  • DZB-15CE/312中间继电器又称为保持中间继电器,以增加主保护继电器的触点数量和触点容量,找DZB-15CE/312接线图、价格、工作原理就选聚仁电力。
  • 询价留言

    • DZB-15CE/312概述
      DZB-10CE系列保持中间继电器具有自保持绕组,用于直流操作的继电保护回路中,以增加主保护继电器的触点数量和触点容量,并提高触点工作的可靠性。常规型号有DZB-11CE/312、DZB-12CE/600、DZB-13CE/312、DZB-14CE/312、DZB-15CE/312等。额定电压:220V、110V、48V、24V。
      DZB-15CE/312技术参数
      ●额定电压:220V、110V、48V、24V。
      ●额定电流:0.25A、0.5A、1A、2A、4A、8A。
      ●额定保持电压:220V、110V、48V、24V。
      ●额定保持电流:0.25A、0.5A、1A、2A、4A、8A。
      ●动作值:电压型继电器为30-70%的额定电压;电流型继电器不大于80%的额定值。
      ●保持值:保持电流不大于80%额定保持值;保持电压不大于70%额定保持值。
      ●返回值:不小于额定值的5%。
      ●动作时间:不大于45ms。
      ●返回时间:不大于45ms。
      ●功率消耗:电流保持绕组不大于4W;电流工作绕组与电压工作绕组不大于7W。
      ●触点容量:在电压不超过250V,电流不超过5A,时间常数为5±0.75ms的直流有感负荷电路中。
      ●输出触点长期允许接通电流为5A。
      ●介质强度:产品各导电端子连在一起,对外露的非带电金属部分或外壳之间,能承受2000V(有效值)50Hz的交流电压历时1分钟试验而无绝缘击穿或闪络现象。
      ●可靠动作:5×104次。
      ●输出触点长期允许接通电流为5A。
      ● 功率消耗:在额定电压下直流继电器不大于2.5W;交流继电器不大于5VA。
       
      DZB-15CE/312内部接线图

      DZB-15CE/312接线图

      DZB-15CE/312板前接线
      DZB-15CE/312板前接线安装尺寸图
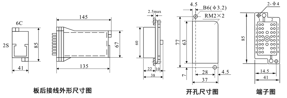
      DZB-15CE/312板后接线
      DZB-15CE/312板后接线安装尺寸图