电力及自动化系统设备制造商
专注于35KV及以下电力二次设备产品的研发和方案提供
021-37195759
021-67183050
产品中心
电力继电器
中间继电器
|
时间继电器
|
电压继电器
|
电流继电器
|
过流继电器
|
抗晃电继电器
|
双位置继电器
|
跳闸回路监视继电器
|
同步检查继电器
|
相序、断线保护继电器
|
分闸、合闸、电源监视继电器
|
闪光继电器
|
冲击继电器
|
闭锁继电器
|
信号继电器
|
漏电继电器
|
组合式报警继电器
微机保护
微机综合保护测控装置
|
小型化保护装置
|
电流型保护装置
|
无源自供电保护
|
10KV通用保护
|
10KV通用保护测控
|
35KV通用保护测控
|
电压综合测控单元
|
通用型差动保护
电力仪表
多功能表
|
单相电流表
|
三相电流表
|
单相电压表
|
三相电压表
电源设备
立式直流屏
|
壁挂直流电源
|
一体式直流操作电源
|
分布式直流操作电源
|
EPS应急电源
|
UPS不间断电源
光伏二次设备
防孤岛保护装置
|
逆功率保护装置
|
故障解列装置
|
A类电能质量在线监测装置
|
B类电能质量在线监测装置
|
光纤差动保护测控装置
|
光伏新能源测控一体化装置
|
光伏并网柜
电力后台设备
故障录波屏
|
配电室环境监控系统
|
DTU配网自动化终端
|
远动通讯屏
|
通讯管理机
|
35KV电力自动化系统
开关柜及设备
发电车应急电源接入系统
|
非接触式高压带电显示装置
|
智能操控装置
|
开关状态显示仪
|
单相交直流电源综合测试仪
网站首页
关于聚仁
项目业绩
企业实景
技术文章
联系方式
首页
产品中心
电力继电器
微机保护装置
光伏二次设备
电力仪表设备
电力综合自动化系统
电源类
开关柜及设备
关于聚仁
项目业绩
联系方式
首页
>
技术文章
>
继电器
>
电流继电器
>
电磁式电流继电器
>
DL-10型电流继电器
产品目录
电力继电器
微机保护装置
光伏二次设备
电力仪表设备
电力综合自动化系统
电源类
开关柜及设备
联系我们
181-1722-3661
021-67183050
021-37190051
jurendianli@163.com
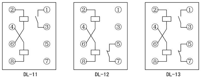
DL-11电流继电器
文章类别:
DL-10型电流继电器
文章概述
型号:DL-11电磁式电流继电器
触点形式:1常开
壳体形式:凸出式固定安装
询价留言
产品详情
产品分类
相关文章
项目业绩
概述
DL-11电流继电器,为电磁式瞬动过电流继电器,它广泛用于电力系统二次回路继电保护装置线路中,作为过电流启动元件。
主要技术参数
接线图
主要特点
凸出式安装结构
电力继电器
微机保护装置
光伏二次设备
电力仪表设备
电力综合自动化系统
电源类
开关柜及设备
HJY-91B/8J欠电压继电器
HJS-E1/3时间继电器
JZS-7/347断电延时中间继电器
HJL-97/A电流继电器
HJZ-Y920中间继电器
JZ-7Y-207直流中间继电器
DLS-42/5-5双位置继电器
HBDZZ-411/3中间继电器
HZH-110VAC-1H1D-1H1D-1D综合控制继电器
HBDZE-404/4中间继电器
JWY-11B低电压继电器
HBDLX-20/3零序过电流继电器
DZY-205X中间继电器
ZJ3-2E/80中间继电器
ZJY-008静态中间继电器
电梯设备专用中间继电器
HBDDR-123/6端子排时间继电器
JZS-7/227延时中间继电器
JZ-S/2416中间继电器
HBDNY-42/2低电压继电器
电厂电站
石油化工
矿山冶金
楼宇配电
光伏新能源
充电站
轨道交通
励磁系统
出口项目
QQ咨询
3355853136
联系电话
021-67183050
询价留言
关注聚仁
返回顶部