






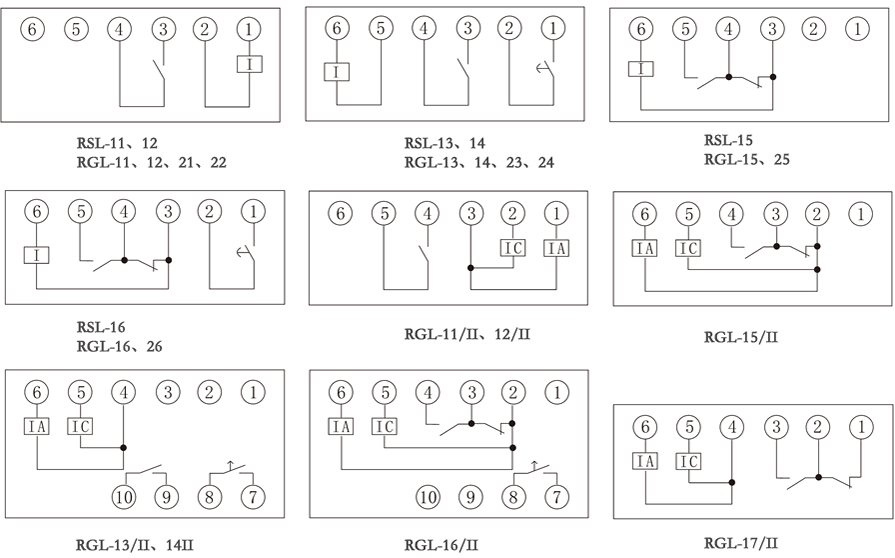
触点形式
1动合,1动合1信号,1转换,1转换1信号
额定电流
2~20A(无辅助电源),极差0.1A
速动倍速整定
2~9.9倍,极差0.1倍
速动延时整定
0~0.9S,极差0.1S
反时限曲线K值
0.01~9.99
安装方式
凸出式前接线、凸出式后接线

触点形式
1动合,1动合1信号,1转换,1转换1信号
额定电流
2~20A(无辅助电源),极差0.1A
速动倍速整定
2~9.9倍,极差0.1倍
速动延时整定
0~0.9S,极差0.1S
反时限曲线K值
0.01~9.99
安装方式
凸出式前接线、凸出式后接线


