上海聚仁电力

电力及自动化系统设备制造商
专注于35KV及以下电力二次设备产品的研发和方案提供

021-37195759 021-67183050
继电器选型
首页> 产品中心>组合式报警继电器

联系我们

  •  181-1722-3661
  •  021-67183050
  •  021-37190051
  •  jurendianli@163.com

  • RCZ-D组合式报警继电器
  • 所属类别:组合式报警继电器
  • 额定控制电源电压

    AC:220V;DC:24V

    主要作用

    用于各种控制电路的集中报警装置的安全用保护

    动作时间

    15ms以下

    复位时间

    8ms以下

    绝缘电阻

    100MΩ以上

    较大开关频率

    1800次/h(额定值负载)

    我要询价留言

    • RCZ-D组合式报警继电器
      具有各种报警功能的继电器单元,采用小型化、插入式设计,可以有效利用空间,维修、检查方便。适用于各种控制电路的集中报警装置的安全用保护。
      RCZ-D组合式报警继电器型号分类及含义
      RCZ-D组合式报警继电器型号分类
      技术参数

      额定控制电源电压

      AC:220V;DC:24V

      主要作用

      用于各种控制电路的集中报警装置的安全用保护

      动作时间

      15ms以下

      复位时间

      8ms以下

      绝缘电阻

      100MΩ以上

      较大开关频率

      1800次/h(额定值负载)

       
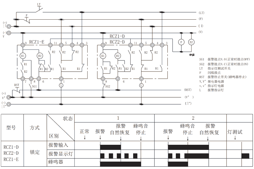
      锁定方式(无辅助接点)
      RCZ-D组合式报警继电器锁定方式图
      外形尺寸图
      组合式报警继电器外形尺寸图